NanoCalc VIS Aufbau
Spezifikation:
- Wellenlänge:400 nm - 850 nm
- Schichtdicken Bereich:50 nm - 100 μm
- Auflösung:0,1 nm
- Wiederholbarkeit:0,3 nm
- Einfallswinkel:90°
- Anzahl der Schichten:bis zu 10
- Brechungsindex:Ja
- Schichtdicke von:transparenten oder semitransparenten Materialien
- Referenz erforderlich:Ja
- Messmodus:Reflexion und Transmission
- Raue Materialien:Ja
- Messgeschwindigkeit:100 ms bis 1 s
- Online-Möglichkeiten:Ja
- Arbeitsabstand (Höhe):
1,5-3 mm, bis zu 50 mm mit Kollimation (COL-UV-6.35)
Spotgröße:
Standard ist 200 μm oder 400 μm, 100 μm auf Anfrage - Mikrospot:Ja, in Kombination mit einem Mikroskop
- Scanning Option:Ja, auf Anfrage
- Verbindung zum PC:USB 2
- Anzahl der Spektrometer:1 oder 2
- Spezifikation

- Analyse
- Version: 2.xy or 3.xy
- Version: 5.00
- Hardware Compatibility
Analyse
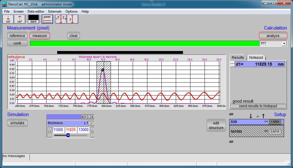
FFT Analyse mit erweiterter Mathematik: Schichtdicke eines SU8 Layers, Schichtdicke ist 11,8µm.

Features Version: 2.xy or 3.xy
Windows 10, Windows 7 | 32 bit |
Adaption to smaller monitors | no |
User interface: result and Notepad chart | . |
Recipe management by function keys; F1, F2 etc. | No |
Fast buttons | No |
Change font sizes International languages (French, German etc.) | No |
Data for extended wavelength: from 200 nm – 2500 nm | No |
Sliders for thickness and N&K values | No |
Automatic curve scaling | No |
Adjustable extraction bar | No |
FFT analysis , enhanced mathematics | No |
Features Version: 5.00
Windows 10, Windows 7 | 64 bit |
Adaption to smaller monitors | Yes |
User interface: result and Notepad chart | Notepad with export to Excel |
Recipe management by function keys; F1, F2 etc. | Yes |
Fast buttons | Yes |
Change font sizes International languages (French, German etc.) | Yes |
Data for extended wavelength: from 200 nm – 2500 nm | Yes |
Sliders for thickness and N&K values | Yes |
Automatic curve scaling | Yes |
Adjustable extraction bar | Yes |
FFT analysis , enhanced mathematics | Yes |
NanoCalc systems
- NANOCALC-VIS
- NANOCALC-XR
- NANOCALC-DUV
- NANOCALC-NIR
NanoCalc-2000 systems
- NanoCalc-2000-VIS
- NanoCalc-2000-NIR
- NanoCalc-2000-NIR-HR
- NanoCalc-2000-VIS-NIR
- NanoCalc-2000-UV-VIS
- NanoCalc-2000-UV-VIS-NIR